Alternator Parts Diagram

Carburetor Parts Diagram

Control Panel Parts Diagram

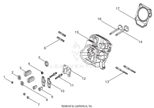
Cylinder Head Parts Diagram

Engine Parts Diagram

Frame Assembly Parts Diagram

Fuel Tank Parts Diagram

Generator Parts Diagram

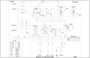
Wiring Diagram